歡迎光臨泊頭市鴻海泵業有限公司官網!

15933274150
熱門關鍵詞:
咨詢熱線
15933274150
DCB-B系列低噪音大流量液壓齒輪泵采用了斜齒輪后,其噪音低,流量大,脈沖小,動轉平穩。 用于人造、膠合板機械、林業機械、像塑機械等低于2.5MPa的液壓系統中,也可用于油站、油田的大流量輸油。經防蝕處理后,可大流量輸送水,作水泵用。
15933274150
一、功能簡介
DCB-B系列低噪音大流量液壓齒輪泵采用了斜齒輪后,其噪音低,流量大,脈沖小,動轉平穩。 用于人造、膠合板機械、林業機械、像塑機械等低于2.5MPa的液壓系統中,也可用于油站、油田的大流量輸油。經防蝕處理后,可大流量輸送水,作水泵用。
二、型號說明

三、技術參數
| 型號 | 額定流量 L/min |
額定壓力 MPa |
額定轉速 r/min |
容積效率 ηv |
總效率 ηt |
進油口 | 出油口 | 驅動功率 kw |
| DCB-B160 | 160 | 2.5 | 1450 | ≥90 | ≥80 | Z2" | Z11/2" | 8.2 |
| DCB-B200 | 200 | 10.1 | ||||||
| DCB-B250 | 250 | 13 | ||||||
| DCB-B300 | 300 | 15 | ||||||
| DCB-B350 | 350 | 17 | ||||||
| DCB-B400 | 400 | 20 | ||||||
| DCB-B500 | 500 | Z2" | Z2" | 24 |
| 型號 | 額定流量 L/min |
額定壓力 MPa |
額定轉速 r/min |
容積效率 ηv |
總效率 ηt |
進油口 | 出油口 | 驅動功率 kw |
| DCB-B600 | 600 | 2.5 | 1450 | ≥90 | ≥80 | Z21/2" | Z21/2" | 29 |
| DCB-B700 | 700 | 32 | ||||||
| DCB-B800 | 800 | 37 | ||||||
| DCB-B900 | 900 | 42 | ||||||
| DCB-B1000 | 1000 | 49 |
四、技術規格
| 型號 | DCB-B160 | DCB-B200 | DCB-B250 | DCB-B300 | DCB-B350 | DCB-B400 | DCB-B500 |
| H | 186 | 210 | 228 | 245 | 263 | 280 | 316 |
| 型號 | DCB-B600 | DCB-B700 | DCB-B800 | DCB-B900 | DCB-B1000 |
| H | 355 | 375 | 395 | 415 | 435 |
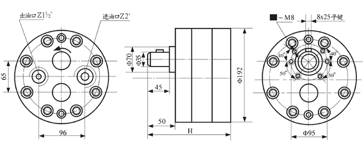
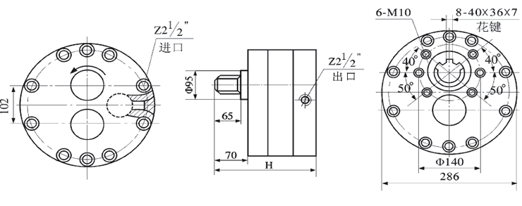
五、外形及安裝尺寸
DCB-B160-500低噪音大流量液壓齒輪泵安裝尺寸圖

DCB-B600-1000低噪音大流量液壓齒輪泵安裝尺寸圖




